眼镜阀
您的位置:超卓阀门 >>眼镜阀 >> 手链扇形盲板阀手链扇形盲板阀
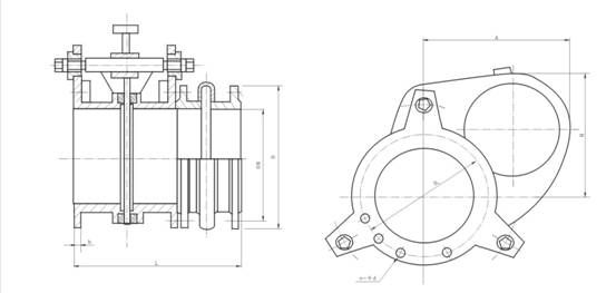
手链扇形盲板阀结构特点及用途
手链扇形盲板阀由左阀体、右阀体、扇形盲板、丝杆螺母、不锈钢补偿器、两个蜗轮传动机构组成。它是通过三根丝杆连成一体,并把两个阀体分别固定在底座上,构成一个刚性结构体。右阀体与不锈钢补偿器连接在一起,左右阀体分别用三根两端带左右梯形螺纹的丝杆联接,将三根丝杆同时作正向(或反向)旋转,则左右阀体得到压紧(或分离)。三根丝杠中上面一根丝杆中间装有盲板,盲板绕该轴中心旋转。下面两根丝杠在同样的部位上安装有盲板定位块,盲板旋转时可以防止盲板漂移,避免密封胶圈擦伤。其中一根上装有蜗轮传动机构,实现松开夹紧阀体的目的。
手链扇形盲板阀产品外形图
手链扇形盲板阀主要外形连接尺寸
|
DN |
L |
D |
D1 |
H |
A |
b |
n-¢d |
质量 kg |
||
|
PN0.05 |
PN0.15 |
PN0.25 |
||||||||
|
300 |
500 |
440 |
395 |
1200 |
480 |
22 |
12-23 |
240 |
265 |
290 |
|
350 |
500 |
490 |
445 |
1300 |
520 |
22 |
12-23 |
310 |
340 |
370 |
|
400 |
600 |
540 |
495 |
1400 |
580 |
22 |
16-23 |
350 |
385 |
410 |
|
450 |
600 |
595 |
550 |
1400 |
650 |
24 |
16-23 |
450 |
495 |
535 |
|
500 |
600 |
645 |
600 |
1480 |
800 |
24 |
16-23 |
540 |
590 |
640 |
|
600 |
600 |
755 |
705 |
1600 |
1000 |
24 |
20-26 |
650 |
710 |
780 |
|
700 |
600 |
860 |
810 |
1680 |
1050 |
26 |
24-26 |
820 |
900 |
980 |
|
800 |
800 |
975 |
920 |
1860 |
1129 |
26 |
24-30 |
1500 |
1650 |
1750 |
|
900 |
800 |
1075 |
1020 |
2055 |
1242 |
28 |
24-30 |
1800 |
1980 |
2180 |
|
1000 |
800 |
1175 |
1120 |
2240 |
1375 |
30 |
28-30 |
2100 |
2300 |
2500 |
|
1100 |
800 |
1275 |
1220 |
2425 |
1510 |
30 |
28-30 |
2300 |
2500 |
2750 |
|
1200 |
800 |
1375 |
1320 |
2620 |
1625 |
30 |
32-30 |
2600 |
2850 |
3100 |
|
1300 |
800 |
1475 |
1420 |
2760 |
1749 |
30 |
32-30 |
3000 |
3300 |
3600 |
|
1400 |
850 |
1575 |
1520 |
2960 |
1856 |
32 |
36-30 |
4170 |
4550 |
4950 |
|
1500 |
850 |
1690 |
1630 |
3105 |
1976 |
32 |
36-30 |
4400 |
4800 |
5250 |
|
1600 |
850 |
1790 |
1730 |
3300 |
2093 |
32 |
40-30 |
4750 |
5100 |
5600 |
|
1800 |
1100 |
1990 |
1930 |
3610 |
2335 |
32 |
44-30 |
5750 |
6220 |
6800 |
|
2000 |
1100 |
2190 |
2130 |
3960 |
2570 |
32 |
48-30 |
6750 |
7350 |
8000 |
手链扇形盲板阀订货须知
订货时请填写《规格书》或注明以下内容:
一、若订货前还未选定型号,请向我们提供您的使用参数:1.公称通径、额定流量系数KV,
2.流体性质(包括公称压力、温度、粘度或酸碱性),3.阀作用形式(电-关式或电-开式),4.流量特性,
5.阀前、阀后压力,6.阀体、阀芯材料,7.输入信号,8.是否带附件,说明附件型号。以便我们的为您正确选型。
二、若已经由设计单位选定我公司的产品型号,请按型号直接向我司销售部订购;
三、当使用的场合非常重要或管路比较复杂时,请您尽量提供设计图纸和详细参数,由我们的专家为您审核把关。
感谢您光顾我们公司,如需了解更多请登录www.zjcz-v.com





