眼镜阀
您的位置:超卓阀门 >>眼镜阀 >> F643X气动扇形盲板阀F643X气动扇形盲板阀
F643X气动扇形盲板阀详细说明
F643X气动扇形盲板阀结构特点
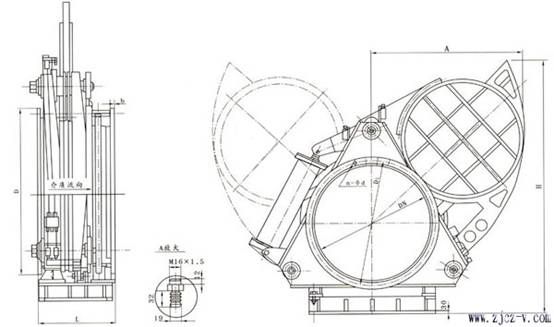
F643X气动扇形盲板阀主要由左阀体、右阀体、丝杆副、密封圈、杠杆、气缸等零件组成,并由底坐、支撑柱构成一个刚性的结构体。阀门中设有夹紧、松开、气缸和翻板气缸、夹紧、松开气缸通过杠杆副和丝杆螺旋副驱动左、右阀体完成松开、夹紧动作,翻板气缸驱动翻板完成开关动作。橡胶密封圈嵌在阀板上,具有耐高温密封性能好、更换方便、使用寿命长等特点。
F643X气动扇形盲板阀可以单台远距离控制,可多台联网远距离控制,非正常情况下还可以利用阀门本身装置手动操作。
F643X气动扇形盲板阀产品结构图和外形尺寸
|
DN |
L |
D |
D1 |
H |
A |
b |
n-¢d |
质量 kg |
|
|
PN0.05-0.1 |
PN0.15-0.25 |
||||||||
|
300 |
500 |
440 |
395 |
720 |
480 |
22 |
12-23 |
255 |
280 |
|
350 |
600 |
490 |
445 |
810 |
520 |
22 |
12-23 |
285 |
310 |
|
400 |
600 |
540 |
495 |
920 |
300 |
22 |
16-23 |
300 |
330 |
|
450 |
600 |
595 |
550 |
995 |
658 |
24 |
16-23 |
350 |
380 |
|
500 |
600 |
645 |
600 |
1102 |
712 |
24 |
16-23 |
400 |
440 |
|
600 |
600 |
755 |
705 |
1500 |
920 |
24 |
20-26 |
500 |
550 |
|
700 |
600 |
860 |
810 |
1600 |
970 |
26 |
24-26 |
580 |
630 |
|
800 |
800 |
975 |
920 |
1850 |
1100 |
26 |
24-30 |
1500 |
1650 |
|
900 |
800 |
1075 |
1020 |
1980 |
1200 |
28 |
24-30 |
1800 |
1980 |
|
1000 |
800 |
1175 |
1120 |
2200 |
1320 |
30 |
28-30 |
2100 |
2300 |
F643X气动扇形盲板阀订货须知
订货时请填写《规格书》或注明以下内容:
一、若订货前还未选定型号,请向我们提供您的使用参数:1.公称通径、额定流量系数KV,
2.流体性质(包括公称压力、温度、粘度或酸碱性),3.阀作用形式(电-关式或电-开式),4.流量特性,
5.阀前、阀后压力,6.阀体、阀芯材料,7.输入信号,8.是否带附件,说明附件型号。以便我们的为您正确选型。
二、若已经由设计单位选定我公司的产品型号,请按型号直接向我司销售部订购;
三、当使用的场合非常重要或管路比较复杂时,请您尽量提供设计图纸和详细参数,由我们的专家为您审核把关。
感谢您光顾我们公司,如需了解更多请登录www.zjcz-v.com





