V型球阀
您的位置:超卓阀门 >>V型球阀 >> QV947F电动V型调节球阀QV947F电动V型调节球阀
一.QV947F电动V型调节球阀概述:
电动V型调节球阀,配用03系列执行机构,无需另配伺服放大器,输入(4-20mADC或,1-5VDC)信号及单相电源即可控制运转,实现对压力、流量、,温度、液位等参数的调节。阀芯上开有V型切口,与硬密封阀座相对转动产生剪切力,可将纤维切断,防止卡死。具有流通能力,调节精度高,可调比大,密封性好,重量轻等特点。适用于除,角型、三通连接外的大部分场合,是替代进口产品的最佳产品,特别适用于泥浆和含有纤维性介质,以及含有徽小固体悬浮物介质的调节。广泛应用于造纸业、制糖、石油、化工、冶金等工业自动控制系统中。
二.QV947F电动V型软密封调节球阀 产品特点
1.不带任何管接头的整体式阀体,因此不受管道或螺栓外力影晌,并且由于阀体无任何管接头,故耐压壳体不会受 压力“突变”的影晌。
2.防漏耐用的阀座在其外径处衬有带不锈钢内芯PTFE杯形或是O型密封圈,阀座用截面较大的钨钴硬质合金制成,通过一个合金的波纹弹簧进一步增强了阀座的结构。
3.具有一个V型阀体,即使在小流量或高粘度介质的情况下,也可在整个量程范围内,保证控制的精确性;
4.当阀门关闭时,V型缺口与阀座之间产生楔形剪切作用,并既具有自洁功能又可防止球芯卡死,特别适用于管线结垢冻结、含纤维质的流体、料浆类流体、高粘度流体,含聚合物、颗粒物、结晶体等流体控制场合。
三.QV947F电动V型调节球阀 阀门规格参数
|
公称通径DN(mm) |
25-400 |
||||
|
公称压力PN(Mpa) |
1.6-6.4 |
||||
|
公称压力Ps(Mpa) |
强度试验 |
2.4-9.6 |
|||
|
密封试验 |
1.76-7.0 |
||||
|
材料/代号 |
C |
P |
R |
||
|
主要零件 |
阀体 |
WCB |
ZG1Cr18Ni9Ti |
ZGOCr18Ni12Mo2Ti |
|
|
球杆 |
2Cr13 |
ZG1Cr18Ni9Ti |
ZGOCr18Ni12Mo2Ti |
||
|
阀杆 |
2Cr13 |
1Cr18Ni9Ti |
0Cr18Ni12Mo2Ti |
||
|
密封圈 |
聚四氟乙烯 不锈钢 硬质合金 |
||||
|
填料 |
聚四氟乙烯 柔性石墨 |
||||
|
适用工况 |
适用介质 |
水 蒸汽 油品 |
硝酸类 |
醋酸类 |
|
|
适用温度 |
-28—400° |
-28—500° |
|||
|
连接方式 |
对夹式 法兰式 法兰按JB79-59标准 |
||||
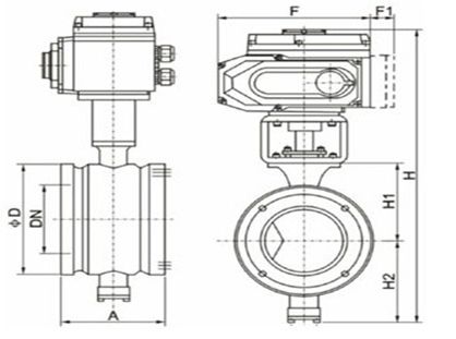
四.QV947F电动V型调节球阀阀门外形及连接尺寸(单位:mm)

|
公称通径DN |
尺寸(mm) |
||||||
|
A |
ΦD |
H1 |
H2 |
H |
F |
F1 |
|
|
15 |
62 |
Φ64 |
74 |
75 |
390 |
161 |
40 |
|
20 |
62 |
Φ64 |
74 |
75 |
390 |
161 |
40 |
|
25 |
62 |
Φ64 |
74 |
75 |
390 |
161 |
40 |
|
32 |
62 |
Φ78 |
80 |
75 |
400 |
188 |
40 |
|
40 |
62 |
Φ82 |
85 |
75 |
405 |
188 |
40 |
|
50 |
75 |
Φ100 |
87 |
95 |
430 |
188 |
40 |
|
65 |
80 |
Φ120 |
105 |
115 |
460 |
188 |
40 |
|
80 |
100 |
Φ131 |
115 |
125 |
520 |
268 |
40 |
|
100 |
115 |
Φ158 |
125 |
125 |
530 |
268 |
40 |
|
125 |
130 |
Φ180 |
140 |
155 |
570 |
268 |
40 |
|
150 |
160 |
Φ216 |
153 |
165 |
600 |
268 |
40 |
|
200 |
200 |
Φ268 |
200 |
195 |
680 |
268 |
40 |
|
250 |
240 |
Φ325 |
225 |
225 |
730 |
268 |
40 |
注:以上选配参数仅供参考.具体以实际情况为准




