电动蝶阀
您的位置:超卓阀门 >>电动蝶阀 >> D941X电动衬胶开关蝶阀D941X电动衬胶开关蝶阀
D941X电动衬胶开关蝶阀产品概述
D941X电动衬胶开关蝶阀的蝶板安装于管道的直径方向。电动衬胶开关蝶阀不仅具有优良的防腐、(耐碱、盐性能,耐弱酸侵蚀)耐磨、减磨性能,(比普通蝶阀使用寿命可明显延长)而且具有无毒、抗菌、防霉等特点,更有操作力矩小,(比普通有销蝶阀降低百分之四十)维修方便,外形美观等突出优点。电动衬胶开关蝶阀在管道中一般应当水平安装。电动衬胶开关蝶阀由橡胶密封蝶阀和碳钢或不锈钢阀板、阀杆构成。电动衬胶开关蝶阀适用于温度≤80~120℃如食品、医药、化工、石油、电力、轻纺、造纸等给排水、气体管道上作调节流量和截流介质的作用。
D941X电动衬胶开关蝶阀产品特点
(1)采用衬胶无销,保证了介质与金属完全隔离,提高了产品的可靠性。
(2)密封面耐磨性好(橡胶耐磨性是铜的七倍)。
(3)可以任何位置安装,维修方便。
(4)密封件可以更换,密封性能可靠达到双向密封零泄漏。
(5)橡胶材料无任何毒性,并且抗菌、抗霉。
D941X电动衬胶开关蝶阀主要设计标准
|
设计标准 |
GB/T2238-1989 |
|
法兰连接尺寸 |
GB/T9113.1-2000;GB/T9115.1-2000;JB78 |
|
结构长度 |
GB/T12221-1989 |
|
压力试验 |
GB/T13927-2000;JB/T9092-1999 |
D941X电动衬胶开关蝶阀主要零件材料
|
零件名称 |
材料 |
|
阀体 |
球墨铸钢+NBR、铸钢+NBR、不锈钢+NBR |
|
蝶板 |
|
|
阀杆 |
2Cr13、不锈钢 |
|
填料 |
O型圈、柔性石墨 |
D941X电动衬胶开关蝶阀执行器参数及特点
(1)功能强劲:智能型、调节型、开关式。
(2)体积小巧:体积仅相当于同类产品的35%左右。
(3)使用方便:采用单相电源,接线简单;采用独创的球型凸出结构,使观察更方便;免加油免点检、防水防锈、任意角度安装。
(4)保护装置有双重限位、过热保护、过载保护。全行程时间15秒、30秒、45秒、60秒。及带手动功能。
(5)智能数控:内置模块采用先进计算机单片及智能控制软件直接接收计算机或工业仪表等输出的标准信号(4-20mA DC /1-5VDC)实现阀门开度的智能控制和精确定位。
也可选用3810系列或NA系列电子式角行程执行机构.亦可选用PSQ系列或HR系列。≥DN600口径阀门一般采用380VAC电动执行器。
D941X电动衬胶开关蝶阀主要性能规范
|
公称通径DN(mm) |
DN50~1200 |
|||
|
公称压力 |
PN(MPa) |
0.6 |
1.0 |
1.6 |
|
试验压力 |
强度试验 |
0.9 |
1.5 |
2.4 |
|
密封试验 |
0.66 |
1.1 |
1.76 |
|
|
低压气密试验 |
0.5~0.7 |
|||
|
适用介质 |
||||
|
电动衬胶法兰蝶阀 |
电动软密封蝶阀 (全衬胶、半衬胶) |
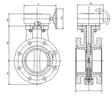
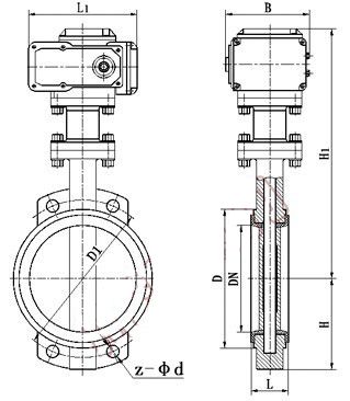
D941X电动衬胶开关蝶阀安装连接尺寸
|
公称通经(DN) |
主要尺寸 |
法兰尺寸 |
||||||||
|
L |
L1 |
H |
H1 |
1.0MPa |
1.6MPa |
|||||
|
D |
D1 |
n-Фd |
D |
D1 |
n-Фd |
|||||
|
50 |
108 |
43 |
63 |
530 |
165 |
125 |
4-18 |
165 |
125 |
4-18 |
|
65 |
112 |
46 |
70 |
530 |
185 |
145 |
4-18 |
185 |
145 |
4-18 |
|
80 |
114 |
46 |
83 |
565 |
200 |
160 |
4-18 |
200 |
160 |
8-18 |
|
100 |
127 |
52 |
105 |
600 |
220 |
180 |
8-18 |
220 |
180 |
8-18 |
|
125 |
140 |
56 |
115 |
640 |
250 |
210 |
8-18 |
250 |
210 |
8-18 |
|
150 |
140 |
56 |
137 |
705 |
285 |
240 |
8-22 |
285 |
240 |
8-22 |
|
200 |
152 |
60 |
164 |
775 |
340 |
295 |
8-22 |
340 |
295 |
12-22 |
|
250 |
165 |
68 |
206 |
945 |
395 |
350 |
12-22 |
405 |
355 |
12-26 |
|
300 |
178 |
78 |
230 |
1070 |
445 |
400 |
12-22 |
460 |
410 |
12-26 |
|
350 |
190 |
78 |
248 |
1140 |
505 |
460 |
16-22 |
520 |
470 |
12-26 |
|
400 |
216 |
102 |
289 |
1210 |
565 |
515 |
16-26 |
580 |
525 |
16-26 |
|
450 |
222 |
114 |
320 |
1335 |
615 |
565 |
20-26 |
640 |
585 |
16-30 |
|
500 |
229 |
127 |
342 |
1415 |
670 |
620 |
20-26 |
715 |
650 |
20-30 |
|
600 |
267 |
154 |
413 |
1605 |
780 |
725 |
20-30 |
840 |
770 |
20-33 |
|
700 |
430 |
165 |
478 |
1844 |
895 |
840 |
24-30 |
910 |
840 |
24-36 |
|
800 |
470 |
190 |
525 |
2040 |
1015 |
950 |
24-33 |
1025 |
950 |
24-39 |
|
900 |
510 |
203 |
585 |
2255 |
1115 |
1050 |
28-33 |
1125 |
1050 |
28-39 |
|
1000 |
550 |
216 |
640 |
2380 |
1230 |
1160 |
28-36 |
1255 |
1170 |
28-42 |
|
1200 |
630 |
254 |
755 |
2640 |
1455 |
1380 |
32-39 |
1485 |
1390 |
32-48 |
D941X电动衬胶开关蝶阀产品选型
(1) 电动衬胶开关蝶阀阀体参数:公称通径、工作压力、工艺介质、使用场合、阀体材料等系列参数。
(2) 电动衬胶开关蝶阀执行器参数:电源电压、控制方式(开关型,调节型)、控制信号(4-20mA,1-5V)、作用方式(电-开式,电-关式)
电动蝶阀的相关产品:






