电动球阀
您的位置:超卓阀门 >>电动球阀 >> ZDRV电动球阀ZDRV电动球阀
| 产品型号: | ZDRV电动V型调节球阀 |
| 产品特点: | 电动V型球阀概述 电动V型球阀是一种芯阀座采用金属,或金属对聚四氟乙烯密封配合的旋转球阀,它将球阀和蝶阀的最佳控制特性结合成一体,既可用作控制调节阀,又可作关断切断阀。 |
电动V型球阀概述
电动V型球阀是一种芯阀座采用金属,或金属对聚四氟乙烯密封配合的旋转球阀,它将球阀和蝶阀的最佳控制特性结合成一体,既可用作控制调节阀,又可作关断切断阀。其主要特点是:
(1)不带任何管接头的整体式阀体,因此不受管道或螺栓应力影响,并且由于阀体无任何管接头,故耐压壳体不会受压力“突变”的影响;
(2)具有一个V型阀体,即使在小流量或高粘度介质的情况下,也可在整个量程范围内,保证控制的精确性;
(3)防漏耐用的阀座在其外径处衬有带不锈钢内芯PTFE杯形或是O型密封圈,阀座用截面较大的钨钴硬质合金制成,通过一个合金的波纹弹簧进一步增强了阀座的结构;
(4)当阀门关闭时,V型缺口与阀座之间产生楔形剪切作用,并既具有自洁功能又可防止球芯卡死,特别适用于管线结垢冻结或含有纤维和颗粒固体场合。
适用于高粘度、悬浮液、纸浆等不干净、含纤维介质场合。采用直连方式与执行机构连接,具有结构紧凑、尺寸小、重量轻、阻力小、动作稳定可靠等优点。执行机构根据用户要求配置UNIC、PSQ、HQ、DHL等型号电子式电动执行机构或GTX、AL等气动活塞式执行机构。
电动球阀技术参数
|
||||||||||||||||||||||||||||||||||||||||||||||||||||||||||||||||
电动球阀性能
基本误差 |
回差 | 死区 | 输入信号 | 输出信号 |
| 全行程的 ≤±2% |
全行程的 ≤±2% |
全行程的 ≤0.8% |
4~20mADC | 4~20mADC |
| 公称通径D(mm) | 25 | 32 | 40 | 50 | 65 | 80 | 100 | 125 | 150 | 200 | 250 | 300 | 350 | 400 |
| 额定流量系数Cv | 32 | 43 | 78 | 90 | 160 | 250 | 360 | 610 | 1120 | 1850 | 2950 | 3700 | 7195 | 11466 |
| 公称压力PN(MPa) | 1.6、2.5、4.0、6.4 | |||||||||||||
| 流量特性 | 近似等百分比(参见典型曲线图)、直线特性 | |||||||||||||
| 阀板转角(度) | 0°~至90°(可调) | |||||||||||||
| 允许泄漏量等级 | 软密封:零泄露 硬密封:≤额定Cv×0.001% |
软密封:VI微气泡级,金属密封:≤额定CV×0.065% | ||||||||||||
| 动作时间(S/90度) | 8.5~30 | 36~60 | ||||||||||||
| 可调节比 | 250:1 | 300:1 | ||||||||||||
电动球阀流量特性曲线


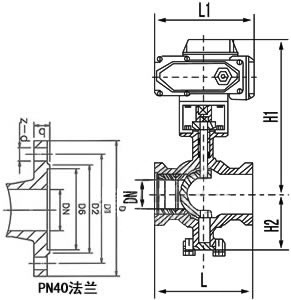
电动球阀外形尺寸
|
|||||||||||||||||||||||||||||||||||||||||||||||||||||||||||||||||||||||||||||||||||||||||||||||||||||||||||||||||||||||||||||||||||||||||||||||||||||||||||
电动调节球阀订货须知
订货时请填写《规格书》或注明以下内容:
一、若订货前还未选定型号,请向我们提供您的使用参数:1.公称通径、额定流量系数KV,
2.流体性质(包括公称压力、温度、粘度或酸碱性),3.阀作用形式(电-关式或电-开式),4.流量特性,
5.阀前、阀后压力,6.阀体、阀芯材料,7.输入信号,8.是否带附件,说明附件型号。以便我们的为您正确选型。
二、若已经由设计单位选定我公司的产品型号,请按型号直接向我司销售部订购;
三、当使用的场合非常重要或管路比较复杂时,请您尽量提供设计图纸和详细参数,由我们的专家为您审核把关。




