缓闭止回阀
您的位置:超卓阀门 >>缓闭止回阀 >> 300X缓闭止回阀300X缓闭止回阀
300X缓闭止回阀产品说明
300X缓闭止回阀由主阀、单向阀、针阀、球阀、微形过滤器和压力表组成水力控制接管系统。利用水力自动操作,可使主阀得到最佳的开启或关闭速度。防止水锺水击的产生,以达到缓闭消声的效果。
300X缓闭止回阀广泛用于高层建筑、生活区等供水管网系统及城市供水工程。300X缓闭止回阀利用水力自力控制,不需要其它装置和能源,保养简便,开启及缓闭平稳。
300X缓闭止回阀主要零件材料
|
零件名称 |
零件材料 |
|
阀体 阀盖 |
WCB |
|
阀座 阀盘 |
铜合金 |
|
密封圈 O型圈 |
丁青橡胶 |
|
阀杆 |
2Cr13 |
|
弹簧 |
50CrVA |
|
铜合金 |
|
|
球阀 |
铜合金 |
|
浮球阀 |
铜合金 |
|
微型过滤器 |
不锈钢 |
|
公称压(Mpa) |
壳体试验压力(MPa) |
密封试验压力(MPa) |
适用介质 |
|
|
1.0 |
1.5 |
1.1 |
水 |
0-80 |
|
1.6 |
2.4 |
1.76 |
||
|
2.5 |
3.75 |
2.75 |
|
300X缓闭止回阀部件列表: |
|
300X缓闭止回阀安装示意图 |
|
|
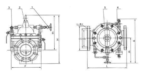
300X缓闭止回阀连接尺寸
|
DN |
L |
A |
A1 |
H |
H1 |
F |
D |
D1 |
D2 |
n-Φd |
||||||||
|
mm |
mm |
mm |
mm |
mm |
mm |
PN1.0 |
PN1.6 |
PN2.5 |
PN1.0 |
PN1.6 |
PN2.5 |
PN1.0 |
PN1.6 |
PN2.5 |
PN1.0 |
PN1.6 |
PN2.5 |
|
|
20 |
180 |
282 |
200 |
172 |
106 |
116 |
105 |
105 |
105 |
75 |
75 |
75 |
58 |
58 |
56 |
4-13.5 |
4-13.5 |
4-14 |
|
25 |
180 |
282 |
200 |
172 |
106 |
116 |
115 |
115 |
115 |
85 |
85 |
85 |
68 |
68 |
65 |
4-13.5 |
4-13.5 |
4-14 |
|
32 |
180 |
282 |
200 |
172 |
106 |
116 |
140 |
140 |
140 |
100 |
100 |
100 |
78 |
78 |
76 |
4-17.5 |
4-17.5 |
4-18 |
|
40 |
240 |
320 |
210 |
265 |
210 |
170 |
150 |
150 |
150 |
110 |
110 |
110 |
88 |
88 |
84 |
4-17.5 |
4-17.5 |
4-18 |
|
50 |
240 |
320 |
210 |
265 |
210 |
170 |
165 |
165 |
165 |
125 |
125 |
125 |
102 |
102 |
99 |
4-17.5 |
4-17.5 |
4-18 |
|
65 |
250 |
330 |
215 |
310 |
215 |
180 |
185 |
185 |
185 |
145 |
145 |
145 |
122 |
122 |
118 |
4-17.5 |
4-17.5 |
8-18 |
|
80 |
285 |
350 |
220 |
350 |
245 |
210 |
200 |
200 |
200 |
160 |
160 |
160 |
133 |
133 |
132 |
8-17.5 |
8-17.5 |
8-18 |
|
100 |
360 |
410 |
230 |
460 |
305 |
275 |
220 |
220 |
235 |
180 |
180 |
190 |
158 |
158 |
156 |
8-17.5 |
8-17.5 |
8-22 |
|
125 |
400 |
420 |
245 |
520 |
365 |
310 |
250 |
250 |
270 |
210 |
210 |
220 |
184 |
184 |
184 |
8-17.5 |
8-17.5 |
8-26 |
|
150 |
455 |
430 |
260 |
570 |
415 |
355 |
285 |
285 |
300 |
240 |
240 |
250 |
212 |
212 |
211 |
8-22 |
8-22 |
8-26 |
|
200 |
585 |
440 |
280 |
695 |
510 |
460 |
340 |
340 |
360 |
295 |
295 |
310 |
268 |
268 |
274 |
8-22 |
12-22 |
12-26 |
|
250 |
650 |
450 |
300 |
780 |
560 |
500 |
395 |
405 |
425 |
350 |
355 |
370 |
320 |
320 |
330 |
12-22 |
12-26 |
12-30 |
|
300 |
800 |
460 |
320 |
902 |
658 |
580 |
445 |
460 |
485 |
400 |
410 |
430 |
370 |
370 |
389 |
12-22 |
12-26 |
16-30 |
|
350 |
860 |
470 |
340 |
1025 |
696 |
640 |
505 |
520 |
555 |
460 |
470 |
490 |
430 |
430 |
448 |
16-22 |
16-26 |
16-33 |
|
400 |
960 |
480 |
360 |
1080 |
735 |
715 |
565 |
580 |
620 |
515 |
525 |
550 |
482 |
482 |
503 |
16-26 |
16-30 |
16-36 |
|
450 |
1075 |
530 |
395 |
1030 |
610 |
780 |
615 |
640 |
670 |
565 |
585 |
600 |
532 |
550 |
548 |
20-26 |
20-30 |
20-36 |
|
500 |
1075 |
580 |
420 |
1135 |
665 |
830 |
670 |
715 |
730 |
620 |
650 |
660 |
585 |
585 |
609 |
20-26 |
20-33 |
20-36 |
|
600 |
1230 |
600 |
445 |
1270 |
725 |
920 |
780 |
840 |
845 |
725 |
770 |
770 |
685 |
685 |
720 |
20-30 |
20-36 |
20-39 |
|
700 |
1650 |
730 |
495 |
1460 |
865 |
980 |
895 |
910 |
960 |
840 |
840 |
875 |
800 |
800 |
820 |
24-30 |
24-36 |
24-42 |
|
800 |
1750 |
830 |
530 |
1640 |
925 |
1050 |
1015 |
1025 |
1085 |
950 |
950 |
990 |
905 |
905 |
928 |
24-33 |
24-39 |
24-48 |
水力控制阀更多相关产品:






